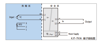
適用于現場危險區的熱電偶、熱電阻或者其它毫伏信號輸入,經過隔離,轉換為標準的直流信號輸出到安全區的控制系統或其它儀表。是智能型的溫度變送隔離安全柵,有USB接口,可以通過PC機和控制軟件編程設定輸入的熱電偶類型及量程范圍,并可對輸出信號的零點和滿度進行校驗。單通道,一路輸入,一路輸出。該隔離安全柵采用獨立的直流電源供電,輸入-輸出-電源各通道之間隔離。

● 供電電源
供電電壓范圍:20~30VDC
額定供電電壓:24VDC
電流消耗(24VDC供電時):<30mA
● 從危險區輸入
(可以通過PC機及軟件編程設定)
熱電偶:K;E;S;B;R;T;N;W;J 等
熱電阻:Pt100 、Cu50 等
可選毫伏信號輸入:±80mV
:5mV
● 向安全區輸出
輸出電流:4~20mA; 其它指定電流
輸出電壓:1~5V;其它指定電壓
負載電阻:
● 綜合通用參數
冷端補償精度:±1℃ (補償范圍 -20℃~+60℃)
(冷端補嘗電阻已安裝在該隔離安全柵內部)
溫度漂移:0.01%F.S./℃
響應時間:< 0.4s
隔離能力:輸入-輸出-電源之間 1.5KV,1min,50Hz
絕緣電阻:輸入-輸出-電源之間 ≥100MΩ / 500VDC
外形尺寸:16×116×110(mm)
工作環境溫度:-20℃~+60℃
● 安全防爆認證參數
防爆等級標志:[Exia Ga]IIC
安全認證參數:
最小毫伏量程
4~20mA 輸出時, ≤350Ω(出廠默認,可指定負載)
機殼材質 / 防護等級:阻燃ABS/IP20
適用于連接的現場設備及所處危險區域: 熱電偶溫度
傳感器。0區、1區、2區;IIA、IIB、IIC 危險區
溫度量程范圍: 根據連接的傳感器類型 (參見量程表)
Um = 250VAC/DC Uo = 9VDC Io =5mA
Po = 13.2W Lo = 100mH Co =1.7μF



